| 일 | 월 | 화 | 수 | 목 | 금 | 토 |
|---|---|---|---|---|---|---|
| 1 | ||||||
| 2 | 3 | 4 | 5 | 6 | 7 | 8 |
| 9 | 10 | 11 | 12 | 13 | 14 | 15 |
| 16 | 17 | 18 | 19 | 20 | 21 | 22 |
| 23 | 24 | 25 | 26 | 27 | 28 | 29 |
| 30 |
- 임베디드시스템
- St
- CCS
- Programming
- TI
- EMBEDDED
- Arm
- m4
- MAC OS
- PCB
- 8051
- 7 세그먼트
- 전자공학
- RTOS
- mcu
- 아트웍
- 임베디드
- terminal
- JLCPCB
- easyeda
- 마이컴
- GPIO
- 초보개발자
- Developer
- bldc
- 모두의연구소
- Embedded System
- TM4C123GXL
- IoT
- TM4C123
- Today
- Total
Engineering Agit
[2021 Motor Controller Study 02] - Main principles to control BLDC motor 01 본문
[2021 Motor Controller Study 02] - Main principles to control BLDC motor 01
Sean_Kim95 2021. 7. 12. 00:551. BLDC
1. 정의
DC(직류) motor의 일종. Commutator(정류자)와 brush에 의해 전류의 방향이 변화하는 Brushed DC motor와는 달리 'closed loop controller(IC를 이용할 수도 있고 microcontroller를 이용할 수도 있음)'를 이용하여 motor winding에 가해지는 DC 전류를 스위칭하여 motor가 회전한다. BLDC에서 전류가 흐르는 코일부인 winding은 stator가 되고 영구자석은 rotator의 일부가 된다. Stator의 winding에 전류를 가하면 자기장이 발생하는데 rotator의 영구자석이 이 자기장을 따라 정렬한다. Controller에서 DC 전류의 phase와 amplitude를 조절하여 motor 회전 속도와 torque를 제어할 수 있다.
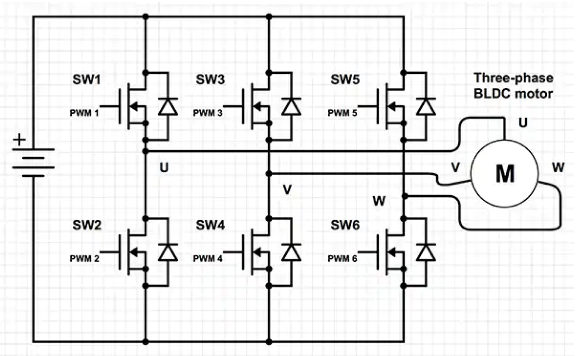
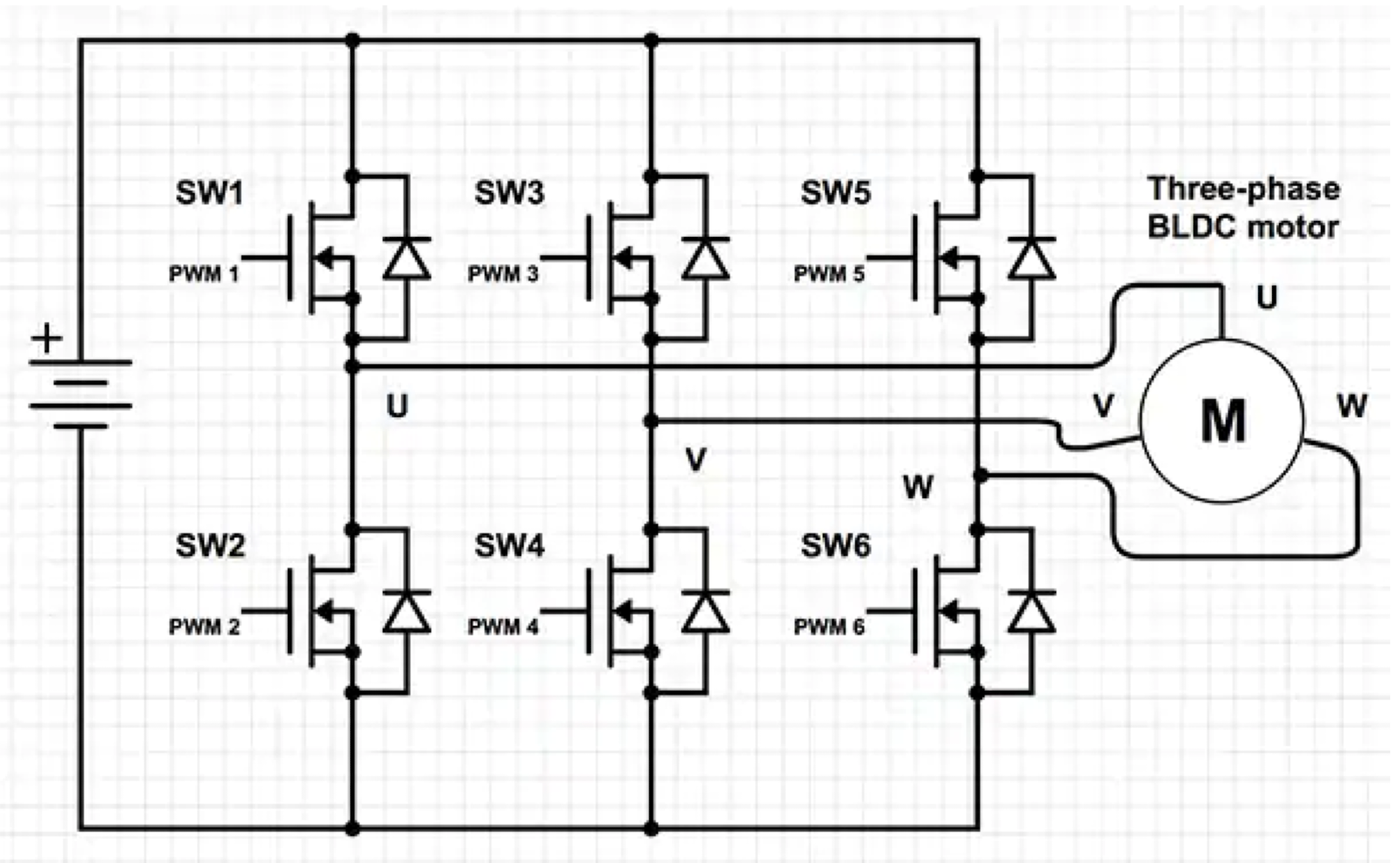
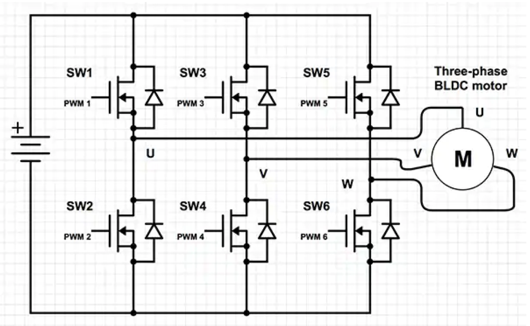
2. 3-Phase BLDC motor Structure & Control schemes
3-Phase BLDC motor Structure

3-Phase BLDC motor는 전형적으로 위의 그림과 같이 3쌍의 MOSFET들이 'Bridge' 구조로 정렬한 구조와 controller의 PWM signal에 의해 작동한다. PWM frequency는 고주파에서 발생하는 'Switching loss'와 저주파에서 발생하는 'Ripple current'사이에서 trade-off가 존재한다.
Control schemes
Control 방식은 세 가지 방식이 존재한다.
- Trapezoidal control:
세 가지 control 방식 중에 가장 간단한 방식. 각 step에서 6개의 winding 중 두 개의 winding에 전류를 흘리고 다른 winding들은 floating 상태로 둔다. 해당 방식의 단점은 step된 commutation이 torque를 맥동하게 만든다는 점이고 이는 느린 속도에서 뚜렸하게 나타난다.
- Sinusoidal control:
Control 방식이 복잡하지만 trapezoidal control 방식에서의 문제였던 'Torque ripple'을 줄일 수 있다. Control 중, motor의 세 coil 전부 전류가 흐르는데 각각의 전류는 각각 120도의 위상각을 갖는다. 해당 control 방식의 결과는 trapezoidal control보다 부드러운 동력전달이 가능하다는 것이다.
- FOC (Field-Oriented Control):
FOC는 stator 전류를 측정하고 인가해서 rotor와 stator의 flux (여기서는 magnetic flux(Wb/m^2))가 항상 90도의 각을 이루도록 하는 방식이다. 해당 방식은 sinusoidal control 방식보다 고속에서 효과적이며 dynamic load가 변하는 상황에서 위의 두 방식보다 나은 성능을 낸다. 고속이나 저속 상관없이 모든 속도에서 사실상 torque ripple이 없고, 부드러우며 정확한 motor control이 가능하다.
'How to power and control brushless DC motor' - Digi-key's North American editors, Digi-key, 2016-12-07
'Projects > 2021 Motor Controller' 카테고리의 다른 글
| [2021 Motor Controller Study 03] - Main principles to control BLDC motor 02 (0) | 2021.07.16 |
|---|---|
| [2021 Motor Controller Study 01] - Reference (0) | 2021.07.11 |